Fragen zum Thema BUS
Wie verbinde ich ein BACnet MS/TP Netzwerk mit einem PC?
Um BACnet MS/TP Geräte mit einem PC konfigurieren zu können, muss zuerst eine Verbindung zwischen PC und dem bestehenden Netzwerk hergestellt werden.
Die BACnet MS/TP Technologie basiert auf zeitlich eng aufeinander abgestimmten Aktionen. Bei der Kommunikation zwischen BACnet Netzwerk mit der seriellen Schnittstelle eines PC (z. Bsp. über USB RS485 Adapter) kann diese Schnittstelle unbestimmte Zeitverzögerungen in der Kommunikation hervorrufen. Diese Verzögerung hat zu Folge, dass die Kommunikation zwischen PC und BACnet Netzwerk ggf. nicht mehr zuverlässig funktioniert.
Dies tritt besonders oft bei Windows Betriebssystemen. Das Verhalten beruht auf der softwareseitigen Implementierung der seriellen Schnittstellen innerhalb des Betriebssystems und kann nicht beeinflusst werden.
Die Konfiguration der BACnet MS/TP Netzwerke erfolgt daher mit Hilfe von Routern. Diese verbinden MS/TP Netzwerk über die Ethernet/IP Schnittstelle mit dem PC. Damit werden die Timing-Probleme der seriellen Schnittstellen umgangen.
Mit der geeigneten BACnet Software (BACeye, etc.) lässt sich nun eine Verbindung zum BACnet MS/TP Netzwerk herstellen. Diese Ethernet/IP ⇔ MS/TP Router sind oftmals Bestandteil eines BACnet Controllers. Sie sind allerdings auch als Stand-Alone Lösungen verfügbar (z. Bsp. MBS UBR-01 | Mk II BACnet).
Hinweis:
Es gibt Softwaretools, die eine direkte Verbindung des RS485 BACnet MS/TP Netzwerkes mit dem PC ermöglichen. Thermokon empfiehlt jedoch die Variante mit externen MS/TP ⇔ Ethernet/IP Router, da diese zuverlässiger funktioniert.
Warum funktioniert mein Modbus Gerät nicht?
Im Falle, dass ein Modbus Gerät nur gelegentlich richtig funktioniert, liegt vermutlich eine Störung der RS485 Schnittstelle vor. Diese Störung kann zu einem Funktionsausfall des Gerätes führen, stellt jedoch keinen Defekt dar.
Um diese Störungen zu vermeiden, sind bei der Verdrahtung der RS485-Schnittstelle einige Punkte zu beachten.
1. Leitungsart
Verwenden Sie grundsätzlich eine verdrillte und geschirmte 2-Drahtleitung. Wir empfehlen z. Bsp. J-Y (ST) Y Leitung.
2. Leitungsverlegung
Schließen Sie Ihre Busgeräte hintereinander an. Vermeiden Sie nach Möglichkeit Stichleitungen. In keinem Fall dürfen diese länger als 2 m sein.
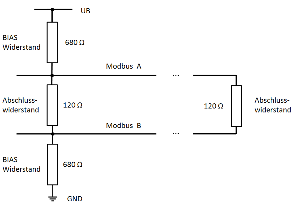
3. Abschlusswiderstand
Um mögliche Reflexionen auf der Busleitung zu vermeiden, sind RS485 Netzwerke an beiden Enden mit Abschlusswiderständen zu versehen. Der RS485 Standard empfiehlt dazu einen 120 Ohm Widerstand zwischen den beiden Busleitungen anzuschließen.
In den meisten Thermokon Geräten lassen sich diese Widerstände bei Bedarf einschalten. Nähere Informationen dazu entnehmen Sie bitte den jeweiligen Datenblättern.
4. BIAS-Widerstand
BIAS Widerstände halten die Signalleitungen im Ruhezustand auf einem definierten Pegel und verhindern damit ungültige Signalzustände.
Sie werden nur an einer Stelle des Busstranges benötigt. Üblicherweise bieten die Busmaster (DDCs, etc.) die Möglichkeit BIAS Widerstände zu aktivieren. Wollen Sie die BIAS Widerstände in einem Thermokon Geräten aktivieren, ist dafür eine zusätzliche BIAS-Platine erhältlich. Artikelnummer: 618823
Was ist die Baudrate und die Parität?
Baudrate:
Die Baudrate bezeichnet die Anzahl der übertragenen Symbole in einer bestimmten Zeit. Damit die Modbus Geräte miteinander kommunizieren können, muss die gleiche Baudrate eingestellt sein. Eine höhere Baudrate überträgt die Daten schneller, ist aber störungsanfälliger.
Parität:
Um das Paritätsbit zu berechnen wird die Quersumme aus den Datenbits der Nachricht gebildet. Die Quersumme der Datenbits und das Paritätsbit zusammen müssen eine gerade (even) oder ungerade (odd) Quersumme für die gesamte Nachricht ergeben.
Mit Hilfe dieser Funktion lassen sich einzelne Bitfehler in der Übertragung erkennen. Damit die Modbus Geräte miteinander kommunizieren können, muss bei allen die gleiche Parität vereinbart sein.
Wie viele Modbus Teilnehmer sind an einem Strang maximal möglich?
Die maximal möglichen Modbus-Teilnehmer werden durch die verwendeten Modbus-Transceiver bestimmt.
Werden verschiedene Geräte in einer Linie eingesetzt, gilt der niedrigste Wert. Bei Thermokon Geräten sind dies standardmäßig max. 32 Bus-Teilnehmer (128 bei Thanos). Mehr als 32 Teilnehmer sind nur mit externen RS485 Repeatern möglich.
Bei zeitempfindlichen Anwendungen wie Beleuchtungsdimmung oder Lamellenverstellung einer Jalousie, sollte die Anzahl der Modbus-Teilnehmer einer Linie möglichst gering gehalten werden. Ansonsten kann es aufgrund der Modbus-Eigenschaften zu spürbaren Zeitverzögerungen bei der Datenübertragung kommen.
Über die USEapp lassen sich Modbus Adressen von 32 bis 247 vergeben. Dies hat jedoch keine Auswirkungen auf die maximal mögliche Teilnehmerzahl einer Buslinie.
Warum lässt sich keine Verbindung zu meinem Modbus Gerät aufbauen?
Modbus-Systeme funktionieren nach dem Master-Slave Prinzip. D.h ein Master (DDC, etc.) steuert die Kommunikation und redet mit den Slaves (Sensoren, etc.). Thermokon-Geräte funktionieren ausschließlich als Slaves.
Damit der Master mit den Slaves kommunizieren kann, sind folgende Einstellungen an den Geräten vorzunehmen:
1. Die Baudrate ist an allen Geräten eines Modbusstranges gleich einzustellen.
2. Die Parität muss ebenfalls übereinstimmen.
3. Jeder Slave muss innerhalb eines Modbusstranges eine eindeutige Adresse haben. D.h sie darf nicht doppelt vergeben sein. Die Festlegung der Adresse können Sie am jeweiligen Gerät selbst vornehmen. Nähere Informationen dazu entnehmen Sie bitte den jeweiligen Datenblättern der Geräte.
4. Die Leitungen A und B der Bus-Leitungen dürfen nicht vertauscht werden.
5. Bei AC Versorgung von mehreren Geräten dürfen die Anschlussleitungen untereinander nicht vertauscht werden.
Wie verbinde ich ein Modbus Gerät mit einem PC?
Mithilfe eines USB RS485-Adapters lässt sich mit einem PC auf eine RS485 Schnittstelle zugreifen.
Wir empfehlen dazu den CTI USB-Nano-485 – Artikelnummer: 668293
Vor der ersten Verwendung ist die Installation des passenden FTDI-Treibers notwendig. Wenn dieser Treiber nicht automatisch heruntergeladen und installiert wird, können Sie dies auch manuell tun:
http://www.ftdichip.com/Drivers/VCP.htm
Alternativ finden Sie diesen Treiber auch auf der beiliegenden CD. Stellen Sie außerdem sicher, dass Sie die vollen Zugriffsrechte für die serielle Schnittstelle des PCs besitzen.
Was bedeutet die Meldung "Illegal Data Value"?
Die Meldung "Illegal Data Value" ist eine Modbus Exception Response. Diese Fehlermeldung tritt auf, wenn zu viele Register eines Modbus Gerätes auf einmal ausgelesen werden sollen und dadurch ein ungültiger Modbus Befehl gesendet wird.
Die Anzahl der auszulesenden Register muss zwischen 1 und 125 liegen. Etwaige Ausnahmen davon sind in den Produktdokumentationen angegeben.
ACHTUNG:
Das Einhalten der gültigen Registeranzahl wird von vielen Modbus Master automatisch gewährleistet. Die Meldung "Illegal Data Value" ist oftmals Folge von undefinierten Spannungspegeln auf den Busleitungen. Diese können als ungültige Modbus Befehle interpretiert werden.
Um diese undefinierten Spannungspegel zu vermeiden versehen Sie die Modbus Linie mit BIAS- Widerständen.





